大多數工程師和技術人員將傳感器視為將過程信息發送到控制系統(例如PLC、VFD或類似系統)的設備。這個思維過程可能是正確的,但不應該過于拘泥于在同一方向上思考信息流和電流流。NPN傳感器雖然很常見,但會將電流流動的典型心理圖像顛倒過來。
當面臨安裝新傳感器或更換故障傳感器的任務時,技術人員或工程師面臨著一個決定。大多數典型工業直流傳感器的極性可以是PNP或NPN。PNP種類通常更容易理解,因為它遵循傳統的電流方向流動。盡管NPN傳感器仍然遵循電氣原理,但它們可能會更加混亂。
傳感器用于控制系統以向控制器(例如PLC或電機驅動器)提供信息。該輸入信息用于確定輸入條件是真還是假,或者換言之,電流流動或不流動的檢測。重要的是要記住,電流將沿從正到負的方向流動。該電流流動方向與信息被表示為進入控制器這一事實沒有任何關聯。
一、NPN傳感器的操作
簡要總結NPN極性傳感器的操作,斷電時,電流不能流過負載線。但是,當使用任何傳感方法(電感、光學等)通電時,電流會通過負載線流入傳感器,傳感器將電流返回到地面。

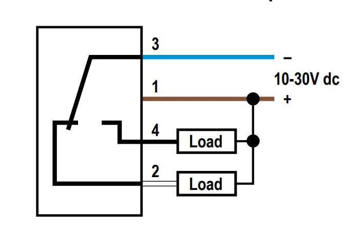
典型NPN傳感器的接線圖。連接到+V的負載矩形符號表示源輸入模塊,需要一個灌(NPN)傳感器。
為了使內部電路完整,電流必須從控制模塊(如PLC輸入模塊)發出并進入傳感器。電流流出輸入模塊的概念是NPN傳感器似乎與傳統電流方向相反的主要原因。重要的是要記住,控制器上的輸入端子僅檢查電流是否流動,對于電流可以流動的方向沒有固有的限制。
關于是否需要NPN傳感器的快速指標是輸入模塊的公共電壓。如果一組輸入端子的公共線連接到+24 VDC,則該電壓將出現在每個單獨的輸入端子上,可以使用電壓表進行驗證。因此,該模塊是電流源,稱為源模塊。
為了使傳感器與源輸入模塊兼容,該傳感器必須允許電流通過負載線流入并將電流返回到地面。這被稱為下沉式傳感器,并且必須在存在源模塊時使用。在某些器件結構中,模塊將固定為下沉或源極模式,并且無法更改。其他時候,更改公共線路的目的地是在源和接收器之間切換所需的唯一更改。
二、NPN傳感器接線圖
輸入模塊的公共電壓可以通過觀察公共線或測量每個輸入端的電壓來識別。然而,通過簡單的觀察來識別傳感器的極性有時會更加困難。
在另一篇討論PNP傳感器的文章中,幾個代表性的設備圖顯示為具有+V、-V以及負載線。這條負載線連接到負載設備的矩形符號上,通常是PLC輸入端子。該負載矩形的另一側將連接到電源或接地。
在NPN傳感器的圖中,負載設備將顯示為直接連接到+V源。
此連接表示輸入模塊的公共電壓線,它也連接到+V源。當傳感器通電時,輸入模塊為+V接法,傳感器為-V接法,完成電路。
電流可以流過完整的電路,輸入模塊檢測傳感器的通電。

具有常開和常閉輸出的NPN傳感器的接線圖。連接到+V的負載設備顯示兩個輸出都是NPN極性。
要測試NPN傳感器的極性,請從輸入模塊上拆下負載線。用電壓表測量開路負載線,觀察傳感器通電時的電壓。NPN傳感器將在開路和接地之間擺動,無論通電狀態如何,幾乎整個時間都可能顯示0伏。相比之下,PNP傳感器將在0和24伏之間切換。
三、NPN傳感器的構造
NPN傳感器的內部結構使用同名的晶體管,基于半導體的NPN層結構。在該晶體管內部,當基極引腳有小電流時,例如來自實際傳感器傳感器的電流,大量電流從集電極流向發射極。
連接到PLC的負載線連接到底座。通電后,電流將從PLC流入集電極,并通過傳感器返回地面。
這樣,電流從負載線進入傳感器并返回到地,這就是NPN傳感器的特征操作。
當交互輸入模塊為源極時,即需要向輸入端子持續提供電壓時,必須使用NPN漏型傳感器。當傳感器通電時,電流從模塊流向傳感器并返回地面。

