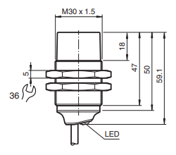
電感式傳感器NBN25-30GM50-E0也稱:(電感式接近開關/接近開關/接近傳感器)
【產品功能描述】
·25 mm,非齊平
·更遠的工作距離
·溫度范圍擴大-40 ... +85 °C
·工作電壓范圍擴大
·具有多種安裝選擇,使用靈活
【附件產品】
·BF 30安裝法蘭:安裝法蘭,30 mm
·BF 30-F安裝法蘭:塑料殼適配器,30 mm
電感式傳感器NBN25-30GM50-E0相同直徑的設備可能具有不同的開關距離。
非齊平安裝的接近開關最大可能的開關距離(相對于直徑)由非齊平安裝的接近開關實現。感應接近開關利用線圈產生電磁場。為了獲得特定的磁場方向,這些線圈纏繞在一個封裝的磁芯中。盡管如此,這一領域中的一些將向側面輻射。
齊平安裝的感應接近開關可以在沒有間隙的情況下使用(A=0)。一個優點是,與非沖洗安裝類型相比,它們具有更好的機械保護,并且對錯誤影響不太敏感。所需的橫向磁場降低是通過一種特殊的內部屏蔽實現的。這是以犧牲范圍為代價的;這些接近開關僅達到非嵌入式安裝設計開關距離的約60%。
產品·特點
——電感式傳感器NBN25-30GM50-E0產品特性——
●25毫米非齊平 ●增加工作距離 ●擴展溫度范圍-40...+85°C ●擴展工作電壓范圍 ●靈活使用,可提供多種安裝機會 |
|
產品·參數規格
——電感式傳感器NBN25-30GM50-E0產品規格——
通用規格——
開關功能:常開(NO)
輸出類型:NPN
額定工作距離:25mm
安裝:非齊平
輸出極性:DC
確保操作距離:0...20,25mm
驅動器件:軟鋼,如1.0037、SR235JR(之前為St37-2)75mmx75mmx1mm
衰減系數rAl:0,45
衰減系數rCu:0,42
衰減系數r304:0,7
衰減系數rBrass:0,5
輸出類型:3線
環境條件——
環境溫度:-40...85°C(-40...185°F)
存儲溫度:-40...85°C(-40...185°F)


