三角測量傳感器(BGS)OBT30-R3F-E0(漫反射型光電接近開關)
【產品功能描述】
激光三角測量傳感器(BGS)OBT30-R3F-E0也可以稱為:漫反射型光電傳感器,光電式接近開關。它可根據其性能和預期用途分為兩類。高分辨率激光器通常用于需要高精度、穩定性和低溫漂移的位移和位置監測應用。這些激光傳感器經常用于過程監控和閉環反饋控制系統。接近型激光三角測量傳感器便宜得多,通常用于檢測零件的存在,或用于計數應用。
【型號】
·OBT30-R3F-E0
·帶背景抑制功能的漫反射型光電開關
·帶2m固定電纜
產品·特點
——三角測量傳感器(BGS)OBT30-R3F-E0產品特性——
★超薄外形,可直接安裝,免安裝支架 ★抗外界光干擾能力強 ★可檢測極小目標物0.1mm ★高亮光斑,在黑色材料上一樣清晰可見 ★極佳的背景抑制效果 |
|
產品·規格參數
——三角測量傳感器(BGS)OBT30-R3F-E0產品功能——
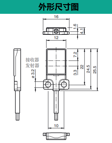
通用規格參數—— ·檢測距離:1...30 mm ·參考目標:標準白色平板,100 mm x 100 mm ·光源:LED ·光源類型:調制可見紅光,630 nm ·LED危險等級標記:免除組 ·黑/白差(6%/90%):<20%當30 mm ·角度偏差:大約2° ·物體尺寸:類型起始于0,1 mm 16 mm ·光點直徑:大約5,5 mm相距30 mm ·發散角:大約5° ·光學端面:向前直射 ·環境光限制:EN 60947-5-2:25000 Lux 工作方式—— ·工作狀態顯示:綠色LED:上電燈亮,短路時:綠燈閃爍(4Hz) ·功能顯示:黃色LED:檢測到目標物 ·工作電壓UB:10...30 V DC ·保護等級:III ·空載電流IO:<15 mA 工作環境—— ·工作溫度:-20...60°C(-4...140°F) ·儲藏溫度:-20...70°C(-4...158°F) | 機械特性—— ·外殼寬度:16 mm ·外殼高度:25,5 mm ·外殼深度:4,1 mm ·防護等級:IP67 ·連接:2 m固定電纜 ·外殼:PC(聚碳酸酯)和不銹鋼 ·光學端面:PUMA ·電纜:PUR ·質量:大約20g ·緊固螺絲的緊固扭矩:1 Nm ·電纜長度:2 m 工作輸出—— ·開關類型:常開觸點/亮時接通 ·信號輸出:1路NPN輸出,短路保護,反極性保護,集電極開路 ·開關電壓:最大30 V DC ·開關電流:最大50 mA,阻抗負載 ·電壓降:≤1,5 V DC ·開關頻率:大約1 kHz ·響應時間:500μs |


