漫反射型光電傳感器(BGS)OBT650-R200-2EP-IO(三角測量傳感器/漫反射光電開關/光電傳感器)
【產品功能描述】 | ||
| 該系列中的光學傳感器是第一款設備以提供端到端的解決方案中型標準設計,來自穿過光束傳感器到達測量點距離傳感器。 | ||
| 【附件產品】 | ||
·IO-Link-Master02-USB;IO-Link主設備 ·OMH-MLV12-HWG輔助安裝件 ·OMH-R200-01輔助安裝件 | ·OMH-MLV12-HWK輔助安裝件 ·OMH-R20x-Quick-Mount輔助安裝件 | |
漫反射型光電傳感器(BGS)OBT650-R200-2EP-IO系列中的光學傳感器是第一款設備以提供端到端的解決方案中型標準設計,來自穿過光束傳感器到達測量點距離傳感器。由于這種設計,這些傳感器幾乎可以執行所有操作標準自動化任務。
整個系列使傳感器能夠通過IO鏈接進行通信。DuraBeam激光傳感器經久耐用可以以與標準相同的方式使用傳感器。
多像素技術(MPT)確保標準傳感器具有靈活性和靈活性可以根據應用進行調整。
產品·特點
——漫反射型光電傳感器(BGS)OBT650-R200-2EP-IO產品特性——
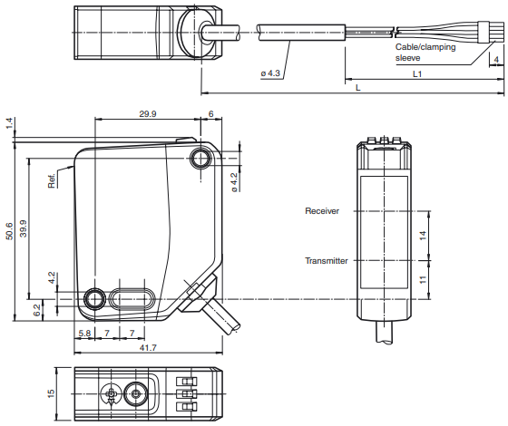
●微型設計與多功能通用的安裝選項 ●這是同類中最好的背景抑制器 ●精確的物體檢測,幾乎不受顏色影響 ●擴展溫度范圍-40°C…60°C ●高度防護等級IP69K ●用于服務和流程數據的IO-link接口 | ![]() |
產品·規格參數
——漫反射型光電傳感器(BGS)OBT650-R200-2EP-IO產品規格——
通用規格——
檢測距離:10...650mm
最小檢測范圍:10...100mm
最大檢測范圍:10...650mm
調整范圍:100...650mm
參考目標:標準白色平板,100mmx100mm
光源:LED
光源類型:調制可見紅光
LED危險等級標記:免除組
黑/白差(6%/90%):<6%當650mm
光點直徑:大約20mmx20mm相距650mm
發散角:大約2°
環境光限制:EN60947-5-2:70000Lux
輸出——
開關類型:該傳感器的開關類型是可更改的。
默認設置為:C/Q-BK:NPN常開/亮通,PNP常閉/暗通,IO-Link/Q-白:NPN常閉/暗通,PNP常開/亮通
信號輸出:2路推挽式(4合1)輸出,短路保護,反極性保護,過電壓保護
開關電壓:最大30VDC
開關電流:最大100mA,阻抗負載
使用類別:DC-12和DC-13
電壓降:≤1,5VDC
開關頻率:500Hz
響應時間:1ms
指示燈/操作方法——
工作指示燈:綠色LED:持續亮起-通電;閃爍(4Hz)-短路;閃爍并帶有短間歇(1Hz)-IO-Link模式
功能指示燈:黃色LED:常亮-檢測到物體;長滅-未檢測到物體
控制元件:亮時接通/暗時接通轉換開關
控制元件:感應范圍調節器
PS:
配置亮起/暗起
按下亮/暗轉換開關1秒鐘以上(但不到4秒鐘)。“亮起/暗起”模式改變,相關操作指示燈亮起。如果按下燈開/暗開轉換開關超過4秒,“燈開/暗開”模式將切換回原始設置。松開亮/暗轉換開關時,當前狀態激活。
恢復出廠設置
按下亮/暗轉換開關10秒以上(但不超過30秒),直到所有LED熄滅。松開亮/暗轉換開關時,信號指示燈點亮。5秒鐘后,傳感器恢復出廠設置。不活動5分鐘后,調整功能鎖定。要解鎖調整功能,再次將感應范圍/靈敏度調節器旋轉180度以上。


