超聲波傳感器UB2000-F42-U-V15(漫反射型和反射板型超聲波傳感器)
【產品功能描述】 | ||
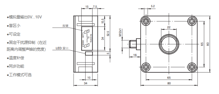
使用超聲波傳感器UB2000-F42-U-V15接近開關側面的兩個按鍵可以進行參數設定。超聲波聲錐的寬度也可以根據傳感器安裝位置的需要進行調整。 | ||
【附件產品】 | ||
·母頭連接器:V15-G-2M-PVC ·母頭連接器:V15-W-2M-PUR ·輔助安裝件:MH04-3505 ·輔助安裝件:MHW11 | ||
產品·特點
——超聲波傳感器UB2000-F42-U-V15產品特性——

一般說明——
檢測范圍:60...2000mm
調節范圍:90...2000mm
盲區:0...60mm
標準目標板:100mmx100mm
換能器頻率:約175kHz
響應延時:約150ms
輸出——
輸出類型:1個模擬量輸出0...10V
默認設置:測量邊界A1:90mm,測量邊界A2:2000mm,寬聲錐
精度:0.7mm
特性曲線偏差:±1%的滿量程值
重復精度:±0.1%的滿量程值
負載阻抗:>1kOhm
溫度漂移:±1%的滿量程值
周圍環境——
環境溫度:-25...70oC(248...343K)
儲存溫度:-40...85oC(233...358K)
工作方式/顯示方式——
LED綠色:常亮:通電
LED黃色:常亮:開關狀態輸出;閃爍:設定狀態
LED紅色:正常工作狀態:"出錯";設定狀態:未檢測到目標物
電氣參數——
工作電壓:17...30VDC,紋波10%PP
空載電流:≤50mA

為避免相互干擾,接近開關帶有一個同步連接端。如果不使用同步功能,接近開關根據內部周期工作。多個接近開關的同步功能可以通過以下方法實現。
外部同步:
接近開關可以通過外部提供方波信號實現同步。同步輸入端的一個同步脈沖啟動一個測量周期,脈沖寬度必須大于100us,測量周期開始于脈沖信號的下降沿。當同步輸入端輸入低電平的持續時間>1s或不接時,接近開關將進入標準工作模式。同步輸入端輸入高電平將使接近開關停止工作。
使用外部同步時的兩種工作模式:
-多個接近開關用同一個同步信號控制,接近開關同步工作
-同步脈沖循環地加在每個接近開關上,接近開關工作在多重模式
自同步:
最多可將5個帶有自同步選項的接近開關的同步端連接在一起。上電后接近開關將工作在多重模式下,響應延時將隨同步工作的傳感器數目的增加而增加。當接近開關進入學習模式時,不能使用同步功能(使用同步功能時,也不能進入學習模式)。要設定開關點時,接近開關必須工作在非同步模式下。
注意:
如果不需要使用同步功能,同步輸入端應該接地(0V),也可選用V1連接器(4針)。

