
咨詢熱線0755-26993877
因此,在無刷直流電機控制器電路圖中,這看起來像是兩個或三個半橋(取決于相數),每個半橋都有一對開關。讓我們仔細看看帶有霍爾效應傳感器的三相無刷直流電機控制器,了解其電路設計的基本原理。

嵌入式系統是內置在另一個設備中執行特定任務的計算機。集成電路是一種集成在單個芯片上的微型電子電路。每一個都作為自己獨特的設備發揮作用,具有不同的優勢和用途。

伺服電機和驅動器是機器自動化中非常有用的組件。與標準感應電機不同,它們提供最高水平的準確度和精確度;這是系統工作中的一個有用標準。使用標準感應電機無法實現點對點精度。

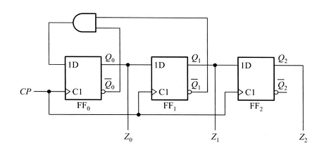
同步和異步時序電路都是使用反饋來產生下一代輸出的時序電路。根據這種反饋的類型,可以區分這兩種電路。時序電路的輸出取決于當前和過去的輸入。時序電路分為同步時序電路和異步時序電路是根據它們的觸發器來完成的...

光學編碼器是一種機電設備,可檢測位置和運動并通過數字信號傳遞該信息。它通過LED燈、光電傳感器和編碼輪形成脈沖信號。如果您正在經營一個行業并且正在尋找零件,那么找到最適合您需求的光學編碼器可能會讓人感...

在安裝醫用氧氣減壓閥之前,需要確定它的位置。這通常需要在病房或實驗室等地方進行,確保減壓閥不會受到其他設備或物品的影響。在確定安裝位置時,需要考慮到減壓閥的進出氣路和大小,以及病房或實驗室的空間大小和...

醫用氧氣減壓閥?通常由閥門、壓力表和連接管組成。閥門內部有一個球形墊,壓力表連接在閥門上,連接管連接在壓力表和氧氣罐之間。當打開閥門,球形墊下面的氣體會膨脹,壓力會下降,從而減小氧氣罐內的壓力。

醫用氧氣減壓閥是醫療領域中至關重要的裝置,可以控制氧氣的壓力,確保患者得到適當的治療和監護。調節醫用氧氣減壓閥的方法也非常重要,可以確保患者得到最佳的治療效果。

數字電位器IC非常小,可以很容易地裝入電位器中。數字電位器IC的小尺寸使得設計小型電位器變得容易。您不必擔心尺寸,因為IC會非常適合。

步伺服電機經過專門設計,可在變速應用中實現高性能、磁通矢量型控制器。獨特的電磁和機械設計允許在恒功率模式下以最大速度運行。永磁伺服電機的高動態定位和精確運動序列。
