
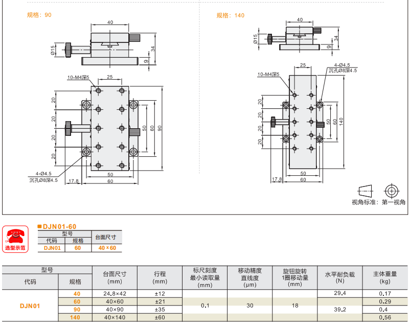
DJNO1標準型手動位移滑臺采用高可靠性齒輪齒條驅動設計,適用于工業自動化、精密儀器調試及機械加工等領域的線性定位需求。該系列滑臺以高剛性結構和穩定傳動性能為核心優勢,確保手動操作時的精準控制與長久耐用性。

核心特點:
1.精密齒輪齒條傳動——優質合金鋼齒輪搭配精磨齒條,嚙合緊密,消除反向間隙,重復定位精度可達±0.05mm。
2.高負載與穩定性——采用直線導軌或高精度滑軌導向,承載能力達20kg,確保運動平穩無晃動。
3.人性化操作——標配防滑手輪(可選配刻度盤或數顯裝置),調節省力,定位直觀。
4.模塊化設計——支持多軸組合,可水平、垂直或傾斜安裝,適應多樣化應用需求。
5.堅固耐用——主體采用高強度鋁合金,表面硬質氧化處理,防腐蝕、耐磨損,適用于工業環境。



